Skip to main content Skip to search Skip to main navigation

Nemef 4119 /27-50 PC55 veiligheids insteekslot SKG** afgerond

Productinformatie "Nemef 4119 /27-50 PC55 veiligheids insteekslot SKG** afgerond"

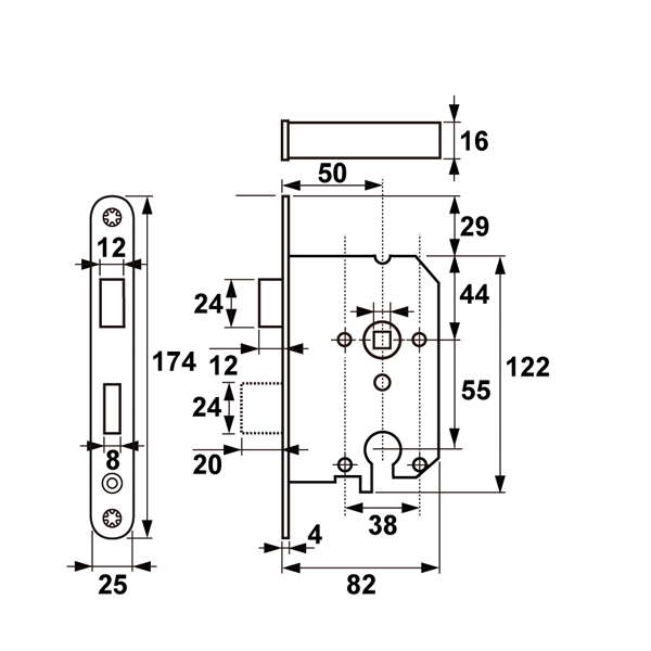
Nemef 4119 /27-50 PC55 veiligheids insteekslot SKG** doornmaat 50mm. Is een veiligheidsslot klasse 2 zwaar inbraakwerend conform de nen 5096 norm. Geschikt voor alle buiten deuren. De dagschoter is omkeerbaar en de messing nachtschoter is beveiligd met 2 stalen pennen. De voorplaat is gemaakt van rvs. Sluitplaat P 4119/27 is er standaard bijgeleverd. Vaak besteld men de veiligheidskom VS 4000 of de verstelbare kom VS 4004 erbij, zo zijn de dag en nachtschoter mooi opgesloten in het kozijn.
Afmetingen kast (in mm): 120 x 80
Afmetingen voorplaat (in mm): 174 x 25
Doornmaat: 50
Draairichting: 1 + 3 (rechts)
Kleur: Zwart
Kleur voorplaat: RVS
Materiaal: RVS
Model voorplaat: Afgerond
SKG keurmerk: 2
Steekmaat: PC55

0 van 0 beoordelingen

Average rating of 0 out of 5 stars

Geef een beoordeling

Deel uw ervaringen met andere klanten.